分类列表
RCDB系列干式电磁除铁器
  • RCDB系列干式电磁除铁器
  • 在线询价
    详细内容

    201473101130.jpg

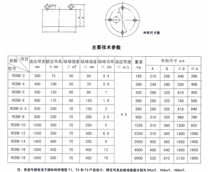
    RCDB系列干式电磁除铁器


    blob.png

    blob.png

    blob.png

    适用范围:

    用于破碎机前及输送机胶带上的任何物料除铁,可适用于各种恶劣的环境条件。

    技术特点:

    磁路采用计算机模拟设计,透磁深度大,磁力强。

    内部采用电工专用树脂浇注,自冷式全密封结构,防尘、防雨、耐腐蚀。

    波翅形散热片,使散热面积大大增加,有效控制了温升。

    可有效吸除混杂在非磁性物料中0.1--35公斤的铁磁性物质。

    blob.png

    上一篇:BHS型链式除渣机
    下一篇:RCDB系列干式电磁除铁器...

    分享到